| 일 | 월 | 화 | 수 | 목 | 금 | 토 |
|---|---|---|---|---|---|---|
| 1 | 2 | 3 | 4 | |||
| 5 | 6 | 7 | 8 | 9 | 10 | 11 |
| 12 | 13 | 14 | 15 | 16 | 17 | 18 |
| 19 | 20 | 21 | 22 | 23 | 24 | 25 |
| 26 | 27 | 28 | 29 | 30 |
- 강의용무선마이크
- 매장앰프
- 벽부형스피커
- 아파트스피커
- 전시장스피커
- 강의용스피커
- 행사용앰프
- GNS
- 지앤에스일렉트로닉스
- 방수스피커
- 학교스피커
- 카날스스피커
- 매장스피커
- 강당스피커
- VICBOSS
- 전시장앰프
- 젠프로
- 버스킹앰프
- 충전식앰프
- 카페스피커
- 보컬마이크
- 삼미스피커
- 안전교육앰프
- 카페앰프
- 버스킹스피커
- 새한음향
- 휘트니스앰프
- 방송용앰프
- 이동식앰프
- 인켈새한음향
- 강의용앰프
- 실링스피커
- Today
- Total
새한음향 세운상가 음향기기 saehansound.co.kr
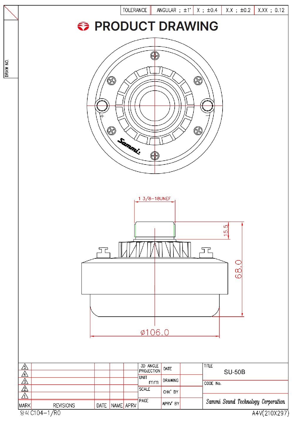
SU-50B 삼미스피커 50W 드라이버 유니트,소형 저중량, 바이크, 차량, 선박, 경광등, 순찰차, 렉카차, 구급차 등 / SU50B 본문
SU-50B 삼미스피커 50W 드라이버 유니트,소형 저중량, 바이크, 차량, 선박, 경광등, 순찰차, 렉카차, 구급차 등 / SU50B
세운상가 새한음향, 02-2267-9259 2026. 4. 8. 20:18

SU-50B
Sammi Horn Driver Unit 50W
한국산업규격 혼스피커 KSC-6306 인증
삼미스피커 저중량 혼 드라이버 유니트 SU50B
마을, 선박, 재난 방송, 경광등, 관공서, 군부대, 차량, 선거 차량, 선박 등
https://smartstore.naver.com/inkelsaehan/products/4831518509
SU-50B 삼미스피커 50W 혼 드라이버 유니트, 저중량 8오옴, 경광등, 차량 사용 : 새한음향 세운상가
[새한음향 세운상가] 새한음향,세운상가 음향기기,앰프,스피커,유무선마이크,확성기,메가폰,기가폰,비상방송,충전앰프
smartstore.naver.com

* 제품의 특징 및 사양 ( 삼미스피커 저중량 대출력 혼 드라이버 유니트 SU-50B )
- Horn/Driver 고출력 혼 분리형 드라이버 스피커
- Impedance : 8 Ohm
- Power : 50 W
- Frequency Range : 250 Hz to 4,000 Hz
- 한국산업규격 혼스피커 KS C 6306 분리형 표시 인증
- 군부대,학교,마을 방송, 해안가, 선박, 국립 공원, 경광등 차량, 재난 방송, 경고 방송
- 차량 및 중장비 경광등, 선거 유세 차량, 항만 경고 방송, 헬기 등 다수 사용







- 제조국 : 대한민국
- 제조사 : (주)삼미스피커
- 품 명 : 삼미스피커 혼 결합용 저중량 고출력 드라이버 유니트
- 모델명 : SU-50B
- 제품 구입 및 문의 : 세운상가 새한음향 / 02-2267-9259
https://smartstore.naver.com/inkelsaehan/products/4831518509
SU-50B 삼미스피커 50W 혼 드라이버 유니트, 저중량 8오옴, 경광등, 차량 사용 : 새한음향 세운상가
[새한음향 세운상가] 새한음향,세운상가 음향기기,앰프,스피커,유무선마이크,확성기,메가폰,기가폰,비상방송,충전앰프
smartstore.naver.com
#SU50B #삼미스피커 #드라이버유니트 #혼스피커 #방수스피커 #방수혼스피커 #50와트혼스피커 #경광등제작스피커 #경광등스피커 #차량스피커 #싸이렌앰프스피커 #차량홍보스피커 #선박스피커 #마을방송스피커
#SU50B #혼스피커 #혼드라이버유니트 #50와트혼스피커 #차량스피커 #선박스피커 #요트스피커 #경고방송스피커 #마을방송스피커 #경광등스피커 #경광등제작스피커 #차량홍보스피커 #싸이렌앰프스피커


