| 일 | 월 | 화 | 수 | 목 | 금 | 토 |
|---|---|---|---|---|---|---|
| 1 | 2 | |||||
| 3 | 4 | 5 | 6 | 7 | 8 | 9 |
| 10 | 11 | 12 | 13 | 14 | 15 | 16 |
| 17 | 18 | 19 | 20 | 21 | 22 | 23 |
| 24 | 25 | 26 | 27 | 28 | 29 | 30 |
| 31 |
- 안전교육앰프
- 실링스피커
- VICBOSS
- GNS
- 카페앰프
- 야외스피커
- 매장스피커
- 전시장스피커
- 강의용앰프
- 방송용앰프
- 새한음향
- 강의용무선마이크
- 이동식앰프
- 강당스피커
- 인켈새한음향
- 카날스스피커
- 카페스피커
- 행사용앰프
- 아파트스피커
- 방송용스피커
- 벽부형스피커
- 보컬마이크
- 버스킹앰프
- 매장앰프
- 전시장앰프
- 혼스피커
- 방수스피커
- 강의용스피커
- 삼미스피커
- 버스킹스피커
- 충전식앰프
- 방수혼스피커
- Today
- Total
새한음향 세운상가 음향기기 saehansound.co.kr
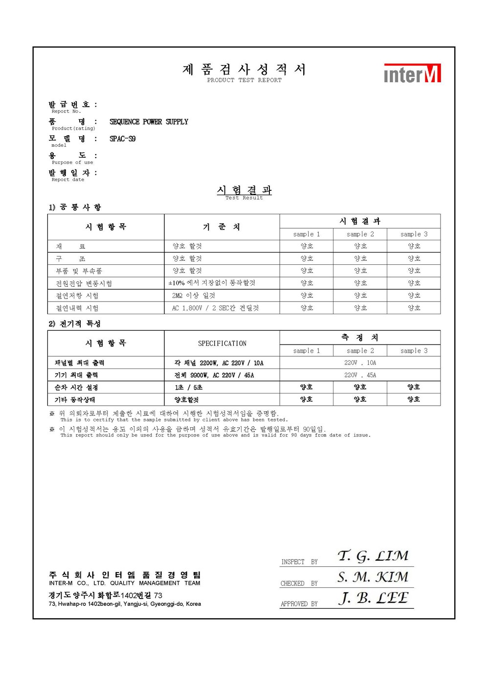
SPAC-S9 인터엠 순차 전원 공급기, 채널당 2200W, 접점, 링크, 바이패스 기능 / SPACS9 본문
SPAC-S9 인터엠 순차 전원 공급기, 채널당 2200W, 접점, 링크, 바이패스 기능 / SPACS9
세운상가 새한음향, 02-2267-9259 2024. 5. 30. 16:52
SPAC-S9
인터엠 순차 전원 공급기 SPACS9
채널당 2200W ( 220V 10A ), 전면 상시 전원
1번 채널 상시 전원 ON, 2~8번 채널 순차 전원 공급
바이패스 기능, 멀티 세트를 연동 위한 접점 입력/링크 단자

https://www.saehansound.net/type6/item/showitem.php?item_no=7288&cate_no=142&car=142
새한음향 세운상가 음향기기
세운상가 새한음향, 앰프, 스피커, 유선마이크, 무선마이크, 충전식엠프, 강의용엠프, 화재비상방송, 버스킹엠프, 메가폰,기가폰등 도소매
www.saehansound.net
https://smartstore.naver.com/inkelsaehan/products/10358127532
SPAC-S9인터엠 8채널 순차 전원 공급기, 채널당 2200W, 접점, 링크, 바이패스 : 세운상가 새한음향
[세운상가 새한음향] 세운상가 음향기기전문쇼핑몰,앰프,스피커,유무선마이크,확성기,메가폰,기가폰,비상방송,충전앰프
smartstore.naver.com

* 제품의 특징 및 사양 ( 인터엠 순차 전원 공급 장치 SPAC-S9 )
본 기기는 랙 시스템(RACK SYSTEM)에 장착되어 타 기기에 AC 전원을 공급하는 장치로 전원 스위치
또는 접점 입력으로 전원을 순차적으로 공급하는 장치입니다.
■ 동작 모드에 따른 AC 순차 전원 공급 장치
각 채널당 2200W (AC 220V 10A)의 출력을 공급합니다.
전면의 AC OUTPUT은 상시 전원 공급됩니다.
- 일반 – 각 채널 1초 간격으로 순차 ON/OFF 동작
- 1CH 상시 - 1채널 상시 ON되며, 2~8채널은 1초 간격으로 순차 ON/OFF 동작
- 느리게 – 각 채널 5초 간격으로 순차 ON/OFF 동작
■ BY-PASS 기능
세트의 전원 스위치 ON/OFF에 관계없이 모든 채널을 ON 시키는 기능입니다.
BY-PASS OFF 시에는 BYPASS를 동작시키기 이전 상태로 되돌아 갑니다.
■ 멀티 세트를 연동하기 위한 접점 입력/링크 단자
접점 입력/링크 단자를 통해 여러 대의 세트를 동작시킬 수 있습니다.





- 제조사 : (주)인터엠
- 제조국 : 대한민국
- 서비스 : 1588-7074
- 품 명 : 인터엠 8채널 순차 전원 공급 장치
- 모델명 : SPAC-S9
- 제품 구입 및 문의 : 세운상가 새한음향 / 02-2267-9259
#SPACS9 #인터엠전원공급기 #8채널순차전원 #순차전원공급기
